Ancient grains of dust from space can be found on Earth − and provide clues about the life cycle of stars

مجلة المذنب نت متابعات عالمية:
NASA, ESA, N. Smith (U. California, Berkeley) et al., and The Hubble Heritage Team (STScI/AURA)
In space, there are clouds that contain gas and dust ejected from stars. Our solar system was formed 4.6 billion years ago from such a molecular cloud. Most of these dust grains were destroyed during solar system formation. However, a very small amount of the grains survived and remained intact in primitive meteorites. They are called presolar grains because they predate the solar system. I am a scientist who studies the early solar system and beyond, focusing mainly on presolar grains.

Provided by Sachiko Amari
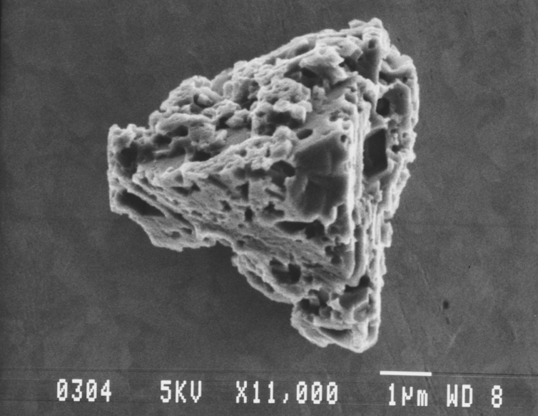
The picture is an image of such a grain taken by a scanning electron microscope. This grain is silicon carbide (SiC). The scale bar is 1 micron, or one millionth of a meter (39.37 inches). The grain was extracted from the Murchison meteorite that fell in Australia in 1969.

Art Brom/Flickr, CC BY-SA
Scientists have investigated physical properties of the grain to determine its origin. Carbon has two stable isotopes, ¹²C and ¹³C, whose weights are slightly different from one another. The ratio between these isotopes is almost unchanged by processes taking place in the solar system such as evaporation and condensation. In contrast, nucleosynthetic processes in stars cause ¹²C/¹³C ratios to vary from 1 to over 200,000.
If this grain had originated within the solar system, its ¹²C/¹³C ratio would be 89. The ¹²C/¹³C ratio of the grain in this picture is about 55.1, which attests to its stellar origin. Together with other information about the grain, the ratio tells us that this grain formed in a type of star called an asymptotic giant branch star. The star was at the end of its life cycle when it profusely produced and expelled dust into space more than 4.6 billion years ago.
Scientists have found other types of presolar grains in meteorites, including diamond, graphite, oxides and silicates. Presolar grains like the one in the picture help researchers understand nucleosynthesis in stars, mixing of different zones in stars and stellar ejecta, and how abundances of elements and their isotopes change with time in the galaxy.
نشكركم على قراءة المنشور عبر مجلة المذنب نت, المتخصصة في التداول والعملات الرقمية والمشفرة














